开关电源的小信号环路控制原理解析

科技堆里的狠货 2025-10-08 阅读:6028 评论:0

摘要

本文基于此前发布的《开关电源架构及控制》一文,主要围绕非隔离型电感开关电源稳定控制的关键要素——小信号环路,展开详细讨论。文章梳理了模拟环路控制从滞环振荡控制到微脉冲群δ-Σ控制的技术演进路径,并阐释了各项控制的内在机理与实现方式,旨在为相关领域的研究人员与技术工程师提供相应的信息参考。

1 小信号环路(开关电源控制环路)

开关电源通常由电力电子器件(如功率开关管和续流二极管)、驱动电路、PWM调制器以及补偿放大单元等部分构成,如图1所示。电源系统的稳定性与动态性能在很大程度上取决于反馈控制系统的设计,而小信号分析正是工程人员设计和优化反馈控制环节的重要工具。尽管开关电源中包含如MOSFET和二极管等非线性器件,整体属于非线性系统,但当其运行于某一稳态工作点时,电路对小信号扰动的响应会呈现出近似线性系统的特性。因此,在研究该稳态点附近的动态响应时,可将其近似作为线性系统处理。

开关电源的小信号环路控制原理解析

小信号环路即指状态变量围绕稳态值波动时,通过局部线性化得到的环路模型。小信号环路是一种线性化等效,适用于稳定性分析*1 ,通过对小信号模型的分析,可以不断优化和改进系统的动态响应特性和抗干扰能力。图 2 所示为从实现方法和行为过程两个维度对小信号环路的分类。这里限定讨论电源的小信号环路。

本文将按照从滞环振荡控制到微脉冲群 δ-Σ 控制的演进路线对上图中模拟环路下的控制行为进行阐释。

开关电源的小信号环路控制原理解析

在电源控制技术的演进历程中,开关电源控制策略的发展以提升能效、优化动态响应和增强系统稳定性为核心目标,其路径呈现了清晰的阶段性与技术耦合性*2。滞环振荡控制通过阈值比较直接驱动开关管通断,凭借无需补偿环路的极简架构成为基础方案,但其动态性能的局限性促使技术向精细化方向突破。随后脉冲频率调制PFM与脉宽调制PWM分化发展:PFM通过调节开关频率降低轻载损耗,而PWM以固定频率调节占空比提升稳态精度;进一步地,PWM演化出电流模式控制分支,包括通过逐周期电感峰值电流检测实现快速限流的峰值电流模式,以及引入电源平均值前馈补偿以优化抗扰能力的平均电流模式。针对PWM轻载开关损耗高的瓶颈,跳脉冲脉冲调频PS-PFM通过将固定频率开关切换为按需触发的能量脉冲策略,在维持轻载高效率的同时显著降低无效开关损耗。技术转折点出现在滞环振荡的进阶应用——恒定导通时间控制COT,其通过固定导通时间与动态调节关断时间的变频逻辑,融合了滞环的快速响应与PWM的稳定性优势,其衍生技术有D-CAP、QPWM*3等等。与此 COT 对应的是恒定关断时间控制,通过固定关断时间并动态调节导通时间实现变频控制。最后,微脉冲群δ-Σ控制通过高精度时间数字转换和δ-Σ调制算法,将离散开关脉冲动态编码为具有连续能量传输特性的可控信号,可动态调节脉冲群密度,实现纳秒级时间分辨率的功率精确调控。这一演进链条不仅体现了对能效、损耗与鲁棒性的极致追求,更映射了电源控制技术从分立模块到集成化系统、从经验调谐到算法驱动的变革。

2 滞环振荡

滞环振荡控制是通过设定输出电压的上下阈值,直接控制开关管的通断。当输出电压低于下限阈值(VREF-1/2VH)时导通开关管,向负载供电;当输出电压高于上限阈值(VREF+1/2VH)时关断开关管,停止供电;输出电压在上下阈值之间震荡,形成稳定的滞环窗口 。

滞环控制没有固定频率,高输入电压时,电感充电快,开关频率升高;低输入电压或重负载时,能量补充慢,开关频率降低。其频率状态是不稳定的,但通过强制电压波动始终被限制在滞环窗口内而实现稳压。

3 脉冲频率调制(PFM)

PFM 按参数约束条件可分为不固定与固定两类。不固定 PFM 完全动态调节频率、脉宽及峰值电流,其本质是滞环控制的表现形式;固定PFM通过约束关键参数脉宽或峰值电流简化控制逻辑,其中固定脉宽PFM通过维持TON优化瞬态响应,而固定峰值电流PFM则以IPEAK为基准实现内置保护。PFM还可以与其他控制方式配合优化系统的动态响应或降低开关损耗提升轻载效率,即当电源突加重载而主控制环路来不及响应时,可提前注入高频脉冲序列或者增加峰值电流来提升系统的动态响应;当电源处于轻载状态,在进入DCM状态之前,可通过降低开关频率来提升系统效率。

下文以固定脉宽PFM为例介绍其控制环路。固定脉宽PFM通过保持脉冲宽度恒定而动态调节开关频率来实现电压稳定。如图5所示,频率调制器根据误差放大器的输出信号调整脉冲信号的频率,当负载电流突增导致输出电压VOUT下降时,反馈电压VFB减小,误差放大器输出增高,驱动频率调制器提高开关频率以增加电感充电次数;反之,负载电流降低时则减小开关频率以减少电感充电次数,从而维持输出电压稳定。

开关电源的小信号环路控制原理解析

4 脉冲宽度调制(PWM)

PWM控制*4以固定开关频率为前提,动态调节占空比来实现稳压。如图6所示,PWM控制架构通过两个分压电阻采样输出电压并与基准源VREF比较,当负载突增时,输出电压下降,反馈电压VFB减小,误差放大器输出VC增高,PWM占空比增大,开关管导通时间延长,更多的能量传输至输出,VOUT回升至设定值;当输入电压波动(如升高)或负载突降时,输出电压上升,反馈电压VFB增大,误差放大器输出VC下降,PWM占空比减小,开关管导通时间缩短,能量输入减少,进而VOUT维持稳定。

开关电源的小信号环路控制原理解析

5 电流模式脉宽控制

电流模式PWM 实际上是引入电流前馈的电压反馈控制系统,通过电压闭环负反馈稳定输出电压,以便获得良好的负载调整率;在电压环内,通过电感电流前馈影响开关管导通时间(即环内前馈),以便提升系统动态响应。电流型控制器包括了峰值电流控制和平均电流控制。

5.1 峰值电流控制

对比于电压模式PWM,峰值电流模式*5用电流信号替代了PWM中的RAMP信号,其电压环为实控环,电流控制为前馈环。如图7中电路所示,反馈电压VFB与基准源VREF比较后输出的误差量VC决定电流峰值的限值,与代表电感电流峰值的VΣ进行比较(VΣ信号是在电感电流采样信号VS中注入斜坡补偿得到的), 当时钟脉冲到来时,RS触发器置1,上管Q1导通,VΣ随电感电流增大,与VC相交时,RS触发器置0,上管Q1关断,VΣ随电感电流减小,当下一个开关周期开始的时钟脉冲到来时,如此反复。

开关电源的小信号环路控制原理解析

峰值电流模式控制的特点是输入电压或负载变化均可在电感电流上反映出来,系统响应速度快,自动带有输入电压的前馈补偿功能,电压调节性能好。但在连续导通模式(CCM)下,当占空比超过50%时,电路会出现次谐波振荡问题,需要通过添加斜坡补偿来消除。不过,斜坡补偿会导致芯片的限流阈值随占空比增大而降低,使得电源的输出电流能力下降。此外,某些电路拓扑中,电感电流的峰值与平均电流并不完全对应,可能导致电流控制不够精确。因此诞生了平均电流模式。

5.1.1 峰值电流限制

峰值电流限制主要作用是:实时监测上管电流,当负载短路或控制失效导致电流超阈值时,立即终止当前导通周期,强制电流回落,避免功率器件因过流、过热击穿。

图8展示了峰值电流限制的波形示意。T1期间转换器以恒定负载电流稳定工作;T2期间当出现调压或者负载陡增时,转换器为保证稳定输出会提升输出电流,为了防止开关器件损坏设置限流值IP-lim,达到电流限值IP-lim后,导通时间被强制结束,电流下降至限值以下,下一周期重复此过程,直至T3期间转换器再次以恒定负载电流稳定工作。

开关电源的小信号环路控制原理解析

5.1.2 谷值电流限制

谷值电流限制在开关电源中具有双重关键作用:

一是保护功能,主要针对高输入电压/低输出电压的情况,电感电流下降斜率显著减小。若开关管在电流未充分回落至安全水平前即再次导通(因为电流采样需要时间),可能导致电流逐周期累积,峰值电流限制无法有效保护,最终引发开关管或电感过流损坏。谷值电流限制通过强制设定一个最低允许的谷值电流阈值(即关断结束、再次导通前电感电流必须达到此值),确保电流在每个开关周期内都能有效复位,从而防止电流失控,这是一种安全保护机制。

另一个是Boost拓扑中的调节应用。在Boost变换器中,不用峰值电流限制,因为高压差情况下电感电流的持续增长特性易导致峰值限制频繁误触发,引发系统失稳;取而代之的是采用谷值电流限制,通过动态设定电感电流的最小谷值阈值,确保每个周期关断时间(TOFF)内,电流可回落至安全基准(VOUT过低,降低最小谷值阈值,延长TON时间,增加充电;VOUT过高,抬高最小谷值阈值,缩短TON时间,减少充电)。当检测到电流无法回落至最小谷值阈值(即逼近100%占空比)时,可插入最小关断时间(TOFF_min),打破电感持续充电无泄放的死循环,避免输出电压崩溃与低频振荡。

5.2 平均电流控制

转换器本身是一个LRC网络,负载电阻的变化会直接影响网络的频率响应特性,进而影响电压反馈环路的稳定性。由于负载电阻与电感平均电流存在对应关系,可通过实时监测电感平均电流来间接获取负载阻抗信息。当负载电阻较大(如开路)时,LRC 网络响应迟缓,容易导致系统失稳;而负载电阻较小时,网络响应过快又可能引发振荡。为此,将平均电流信号引入控制环路作为前馈参数,能够动态调整补偿器,使反馈环路的频率响应始终与LRC主网络匹配。这种基于电流检测的自适应补偿策略,有效解决了变负载条件下系统稳定性与动态响应的优化问题。

开关电源的小信号环路控制原理解析

图9为电流平均模式Buck电路和波形示意 ^[3]^ ,其在前馈环中引入了电流平均值。该控制架构中,输出电压误差量VC与电感电流采样信号VS经过电流误差放大器进行积分放大,得到误差信号VCA。VCA与锯齿波比较,生成PWM信号驱动开关管。当负载加重时,输出电压VFB减小,误差信号VC增大,进而使VCA增大。如图9右侧波形示意所示,VCA与锯齿波进行比较,VCA增大(VCA’)导致PWM占空比增大,开关管导通时间变长,电感电流和输出电压因此上升,最终使系统恢复稳定。

6 跳脉冲脉冲调频(PS-PFM)

PS-PFM 包含两个概念,Pulse-Skip和Power Saving。两项技术的差异在于:Pulse-Skip在保持内部时钟频率不变的前提下,仅选择性地跳过某些开关脉冲以减少轻载损耗,并能维持相位同步*6 ;而Power Saving 模式仅为一种省电策略,无法保证相位同步性。与 Pulse-Skip 对应的还有一种错脉冲(即错开脉冲)控制,其通过动态插入或跳过脉冲实现调节:轻载时跳过脉冲以减少开关损耗;重载时则插入脉冲满足电流需求。为维持开关频率恒定,插入脉冲后则需要考虑下次是否开启脉冲。这种脉冲增减补偿机制既解决了重载响应问题,又避免了频率漂移,从而与 Pulse-Skip 的单纯跳脉冲形成互补。

图10是以Pulse-Skip 为例的 PS-PFM 控制 Buck 电路及波形示意(蓝色虚线脉冲表示跳脉冲)。该控制模式保持恒定脉冲宽度(TON固定),仅动态调整脉冲间隔(TOFF),并且仅在输出电压跌落至阈值时触发一次脉冲,否则保持休眠。

开关电源的小信号环路控制原理解析

7 导通时间推定(COT)

导通时间推定,看起来像固定脉宽PFM(参见第3节),但核心差异在于COT的脉宽(导通时间)是基于输入/输出压差推定出来的,而非固定不变。固定脉宽PFM的缺陷是输入/输出电压变化时频率会大幅漂移;而COT通过动态推定导通时间,将开关频率约束在可控范围内(但无法保持相位同步)。COT动态响应优势显著:突然加重载时连续插入脉冲快速拉升电流,负载平衡后恢复稳态频率;突然减轻载时暂停脉冲输出直至电压回落(可能伴随延迟)。COT控制在稳态下因频率波动受控则呈现出固定频率的特性,并且其环路天然稳定、响应速度极快。基于恒定导通时间(COT)控制原理,衍生出多种适用于不同场景的方案,比如:基于纹波电流控制的架构(如TI的 D-CAP2、D-CAP3、DCS),以及结合电感谷值电流的控制。

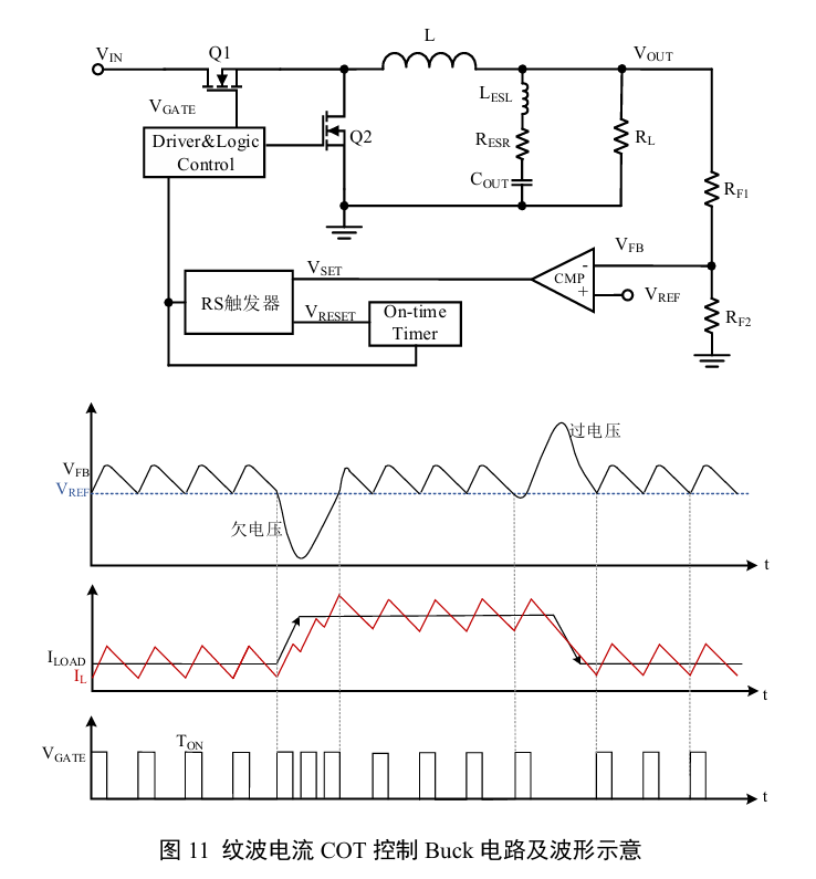
7.1 纹波COT控制

图11 展示了基于纹波电流的COT控制原理。当反馈电压VFB低于基准VREF时,比较器翻转,RS触发器置位,驱动上管Q1导通,电感电流随之上升;直至恒定导通时间计时器溢出,触发器复位,Q1关断,电感电流下降。通过该循环机制实现对输出电压的调节。

该方案结构简洁,兼具滞环控制的快速动态响应与近似固定的开关频率。然而,其控制依赖于反映电感电流信息的输出电压纹波。因此通常需使用具备一定ESR的输出电容,或需要额外注入人工纹波(Ripple Injection)。这也导致其在采用低ESR的陶瓷电容时电路设计复杂度增加。此外,由于缺乏误差放大器提供直流稳态误差补偿,输出电压精度受限。

开关电源的小信号环路控制原理解析

7.2 V²-COT 控制*7

为改善纹波电流控制COT架构的输出电压精度问题,图12展示了一种改进型V²-COT控制结构。该架构采用双路反馈:一路将输出电压直接接入比较器,构成快速前馈通道,可迅速响应电压变化,提升瞬态性能;另一路引入带补偿网络的误差放大器,用于校正输出纹波引起的直流偏差,从而提高稳态精度。

开关电源的小信号环路控制原理解析

7.3 谷值电流COT控制

基于谷值电流的COT控制也是一种广泛应用的控制策略。该方案首先将输出电压反馈VFB与基准电压VREF进行比较,生成误差信号VC,再将VC与电感电流采样信号VS的谷值进行比较。当VS的谷值低于VC时,RS触发器置位,驱动上管Q1导通,电感电流上升;在恒定导通时间结束后,Q1关断,电感电流下降,进而实现系统的闭环稳压。

由于直接采样电感电流,该控制架构在保留COT控制的优点时天然适用于多相并联或均流应用场景。各相单元可共享同一误差信号VC,从而实现电流的自均衡分配,显著提升系统的输出扩展性、热分布性能及整体可靠性,尤其适用于大电流、多相电源场景。

开关电源的小信号环路控制原理解析

8 断开时间推定(COToff)

断开时间推定COToff 亦称CFT。CFT又具有双重含义,即Constant Off Time(恒定关断时间*8 ,与COT对应)和Constant Frequency Timing(固定频率定时)。

Constant Frequency Timing 是以维持固定开关频率为目标的改进型PWM控制策略。为实现这一目标,CFT在运行过程中动态调节导通时间(TON), 图14所示为基于峰值电流控制的CFT架构,该架构与7.3节的谷值电流COT控制互为对偶。误差信号VC与电感电流采样信号VS的峰值相交时关断Q1。类似峰值电流控制但不需要额外的斜坡补偿,TOFF的时长由Off-time Timer模块决定,同时确保开关频率能与系统基础频率同步,并优化负载与输入的瞬态响应性能。在应对输出电压深度跌落时,一方面CFT可以延长导通时间以提升能量传输;另一方面通过插入额外的补偿脉冲来维持目标频率,且仍能确保与基础频率同步。因此也是对固定频率的Pulse skip-PFM的改进。

开关电源的小信号环路控制原理解析

采用Constant Off Time 的主要原因在于提升稳态频率的精度与可控性。在输入电压较高而输出电压较低的应用场景(即占空比较小)下,传统COT控制的关断时间(TOFF)在开关周期中占据主导地位。此时,对导通时间(TON)的微小推定误差会导致开关频率出现显著偏差(因为周期时长主要取决于TOFF)。固定关断时间直接控制了周期中的主要分量,从而显著改善了频率预期的准确性。此外,CFT中导通时间不受固定限制的特性,使其在应对过载时能够充分延长以提供所需的大电流。在极端过载或深度欠压条件下,CFT可实现上管的持续导通(即接近或达到100%占空比),进入连续导通模式(CCM)——这是其相对于传统COT(每个周期必须包含关断时间,难以持续导通)的关键改进点。

9 微脉冲群δ-Σ控制

微脉冲群δ-Σ控制是针对高输入/输出压差情况下对传统控制策略敏感性过高问题的改进方案。在高压差场景中,导通时间(TON)因压差增大而显著缩短,导致常规PWM控制的环路增益难以优化(TON的微小调节会引发输出电压的剧烈波动)。有效的闭环调节需要依赖关断时间(TOFF)内的状态变化量进行反馈;当高压差导致TON过短、TOFF内状态变化不足以被可靠检测时,传统控制将失效。此时,微脉冲群机制被触发,通过引入一组基于δ-Σ调制原理的高频、低占空比脉冲序列(即微脉冲群),实现对能量的精细化递送,从而显著提升系统在极端降压比条件下的稳定性与抗扰性,是对COT架构在高压差应用中的有效改进。

微脉冲群δ-Σ控制电路及波形示意如图15所示,其融合了高精度δ-Σ调制与高效脉冲群管理技术。微脉冲群δ-Σ控制利用δ-Σ调制器将输出电压误差信号VC转换为高分辨率的脉冲密度调制信号DOUT;然后通过一个专用的微脉冲群合成器根据信号DOUT,结合系统状态(如负载电流、输入电压、效率优化目标、EMI要求等), 动态地生成非连续的开关驱动信号,即“微脉冲群”。每个微脉冲群由一串脉宽极窄(纳秒级)的脉冲组成,密集输出于短暂的时间窗口内,这些脉冲的密度或数量直接映射了脉冲密度调制信号DOUT在该时间窗口内要求的平均占空比。在输出一串微脉冲群后,合成器会强制进入一段静默期,在这段时间内完全没有开关动作,功率管保持关断。

动态调节方式:当负载或误差增大时,需要更高的平均功率输出,合成器会增加微脉冲群的密度(即在Tburst_on内塞入更多微脉冲)、缩短群间静默期(Tburst_off)或延长群持续时间(Tburst_on); 当负载或误差减小时,需要降低平均功率输出或优化效率和EMI,合成器会降低微脉冲群的密度、延长群间静默期或缩短群持续时间。

开关电源的小信号环路控制原理解析

注释

*1小信号条件下稳定是系统稳定的先决条件。

*2一款产品不止使用一种控制方式,其可能是多种控制方案的叠加。例如圣邦微电子的SGM61020采用PWM(中等或重载)/ PS-PFM(轻载)两种模式自动切换、SGM61230采用峰值电流模式PWM+PS-PFM模式。

*3D-CAP 是TI的电路级COT解决方案,通过技术优化提升实用性;QPWM是Intel主导的系统级COT规范,定义硬件响应标准。二者均以基础COT为原理核心。

*4圣邦微电子的SGM64104、SGM64200采用固定频率电压模式PWM控制。

*5圣邦微电子的SGM6061、SGM61180采用峰值电流模式控制。

*6电源中保持相位同步,可以防止电流超限,避免出现拍频(beating)现象。

*7圣邦微电子的SGM61012、SGM61022采用的AHP-COT架构(圣邦专利),通过内部自适应纹波注入技术,无需再依赖输出电容ESR,实现了优于传统V2-COT架构的优良负载瞬态性能和输出稳压精度。

*8圣邦微电子的SGM61061采用恒定关断时间架构。

热门文章
  • 在中超联赛赛场北京成都球迷高呼:北京加油,成都雄起

    在中超联赛赛场北京成都球迷高呼:北京加油,成都雄起
      9月14日晚,中超联赛成都蓉城对北京国安的比赛在成都凤凰山体育场举行。首都文明办工作人员到现场力促两地球迷的友好互动,引导球迷文明观赛。   开赛前,两地球迷早早来到赛场,成都球迷在赛场通道为等待入场的北京球迷拉歌拍照。一边是北京球迷激昂的歌声,一边是身穿“雄起”“成都”等字样球衣的成都球迷,画面和谐温馨。首都文明办给两地球迷代表赠送了“向北京榜样学习”宣传品,呼吁两地球迷在场上是对手,在场下是朋友。合影留念时,成都球迷高喊“北京加油”,北京球迷高喊“成都雄起”。...
  • 防风防寒!北京今天晴朗伴大风寒意十足 周末将迎小幅升温

    防风防寒!北京今天晴朗伴大风寒意十足 周末将迎小幅升温
      中国天气网讯 今天(12月27日),北京天气晴间多云,最高气温2℃,白天北风劲吹,阵风可达六至七级,风寒效应明显。本周末,北京仍以晴为主,风力不大,气温将有小幅上升。   昨天,北京晴冷在线,气温继续下跌,南郊观象台最高气温仅有2.6℃,加上风力较大,体感十分寒冷。   北京市气象台预计,今天白天晴间多云,北风三四级(阵风六七级),最高气温2℃;夜间晴间多云,北风二三级间四级,最低气温零下7℃。   明后两天,北京仍以晴为主,风力不大,最高气温将略升至5℃,最低气温...
  • 西南地区持续阴雨天气 华北黄淮等地大气扩散条件逐步转差

    西南地区持续阴雨天气 华北黄淮等地大气扩散条件逐步转差
      摘要:   国内方面,昨日,全国降水整体较弱;内蒙古、东北地区等地出现大风降温天气。未来三天,青藏高原及云南、四川、贵州等地多阴雨天气,关注局地强降雨或持续降雨可能引发的次生灾害。   全球方面,昨日,欧洲东部美国东南部等地出现强降雨。未来三天,飓风“米尔顿”继续影响美国东南部等地;强冷空气影响中亚等地;欧洲大部大范围降水降温。   一、国内天气情况   1.实况   全国降水整体较弱 内蒙古东北地区等地出现大风降温天气   昨日8时至今日6时,全国降水整体较...
  • 新手如何开始跑步?

    新手如何开始跑步?
    大家好,我是小贝~ 有喜欢我的分享的可以给我点个关哟~多多互动吧~🫰 跑步是最简单的运动之一。人类进化30万年,跑步是基因自带的能力。可以说天生人人都会跑,人人都可以跑。 所以,很多平时不跑步的人,想入门跑步,建议从以下4个方面开始 一、跑步一定要穿跑鞋! 10年前我跑步穿平时的休闲鞋跑了2周,跟腱受伤!因为休闲鞋没有缓震效果;对膝盖和跟腱的损害较大。 专业跑鞋鞋底有缓震设计,能减少跑步时对膝盖和脚踝的冲击力。保护膝盖和脚踝不容易受伤。 二、注意跑步频率和强度。 1、频率...
  • 大雾黄色预警:京津冀等8省市部分地区有大雾 局地强浓雾

    大雾黄色预警:京津冀等8省市部分地区有大雾 局地强浓雾
      据报道10月14日电据中央气象台网站消息,预计10月14日早晨至上午,河北中南部、北京、天津西部、山东西部、山西中东部、陕西北部、河南东北部和南部部分地区、湖北中部等地有大雾天气,其中,河北中南部、北京西部、山西中部、陕西北部、湖北中部等地的部分地区有能见度低于500米的浓雾,局地有不足200米的强浓雾。中央气象台14日6时继续发布大雾黄色预警。   此外,14日,华北中南部、黄淮中西部、汾渭平原等地大气扩散条件较差,有轻至中度霾,其中,北京南部、河北西部沿山部分地区有...