近日,公安部牵头制定的《机动车运行安全技术条件》征求意见稿出炉。最受关注的是,对车辆限速要求:乘用车每次启动后,默认百公里加速必须不少于5秒!
为啥要管加速?主要是针对近年来新能源车因加速过快导致的失控事故。统计显示,目前驾校教练车和多数燃油车的百公里加速普遍超过5秒,驾驶员对此更为适应。新规旨在通过默认限制加速性能,提升驾驶准备意识,减少误操作风险。
除了车辆限速要求,纯电动及插混车型必须标配踏板误踩加速抑制系统。在车辆静止或低速蠕行时,系统能监测误踩动作,自动抑制动力输出,并通过声、光等方式提醒驾驶员
同步升级的安全配置包括:车速超过10km/h时,主驾驶屏将禁用娱乐影音和游戏;新能源车需符合电池安全标准,并设置定向泄压装置;货车将强制配备自动紧急制动、车道偏离预警、全景影像等系统。
此次修订聚焦“主动预防”,通过技术标准引导更安全的驾驶习惯。目前文件仍处于征求意见阶段,最终条款以官方发布为准。
作为“电路与系统保护专家”,晶扬电子深知汽车安全离不开车载电子系统护航。新能源汽车的复杂电子系统,对电路防护提出了更高要求。通信网络的稳定,直接关乎行车安全。
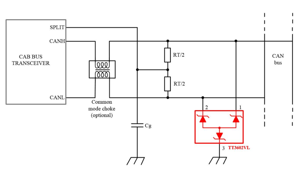
晶扬电子推出专业的汽车CAN专用浪涌保护器件——TT3602VL,它可广泛应用于汽车发动机控制系统、车身电子系统、车载娱乐系统、车灯模块等多个领域的CAN、LIN、CAN FD、CAN FlexRay等网络节点防护,确保各个电子控制单元之间的通信安全稳定。除此之外,该产品还可用于RF天线的防护。该产品目前已支持批量出货。
TT3602VL产品优势一览
01、采用SOT-23封装(2.9mm×1.6mm×1.1mm),与汽车现有保护方案完美兼容,利于PCB布局,易于安装和维护,且便于进行自动光学检测(AOI)。

图为 SOT-23封装外观和引脚示意图
*注:消费级封装成品为现货,车规级封装成品正在进行中…
02、具备出色的浪涌抑制能力,拥有4.5A的Surge IPP(8/20μs波形测试),且钳位电压可低至50V,能有效地将过高的电压钳位在安全水平。

图为 8/20μs波形测试结果
03、具有3pF(VR =0V,f=1MHz)的寄生电容,在CAN总线进行数据交互时,避免了对CAN总线信号传输的影响。
图为 器件分别在不同电压和不同频率下的寄生电容测试结果
TT3602VL与友商同类产品对比

CAN收发器保护方案

应用电路示意图
其他性能测试结果



晶扬电子 | 电路与系统保护专家
深圳市晶扬电子有限公司成立于2006年,是国家重点专精特新“小巨人”科技企业、国家高新技术企业、深圳知名品牌、广东省制造业单项冠军产品、深圳市制造业单项冠军企业,知识产权示范企业,建成广东省ESD静电保护芯片工程技术研究中心,荣获中国发明创业奖金奖等。是多年专业从事IC设计、生产、销售及系统集成的集成电路设计公司,在成都、武汉和加拿大设立有研发中心,拥有超百项知识产权和专利,业内著名的“电路与系统保护专家”。为各类电子产品提供全方位、全覆盖的静电保护、高边开关等保护方案。
主营产品:ESD、TVS、MOS管、DC-DC,LDO系列、工业&车规传感器、高边开关(HSD)芯片、电流传感器、汽车开关输入芯片等。





